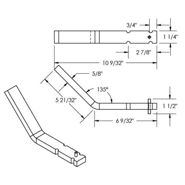
Twistlock, Handle, Replaces 20-12

202012.jpg

Information

Sku:
202012

Specifications

Compatable Part Number
102117,20-12,59-40-113,THDLB1556
Loading