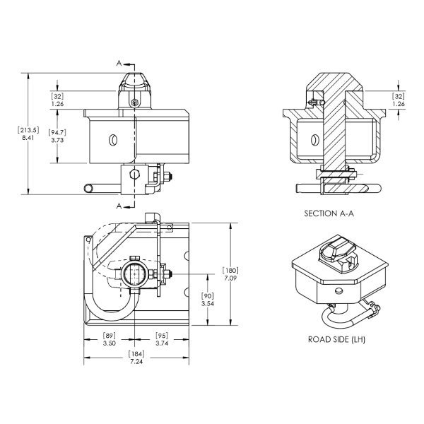
Twist Lock Assembly Left Hand

16905800401.jpg

Information

Sku:
16905800401

Specifications

Compatable Part Number
905800401
Loading