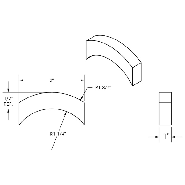
T/L Riser Block 21-03

202103.jpg

Information

Sku:
202103

Specifications

Compatable Part Number
2100-3
Loading