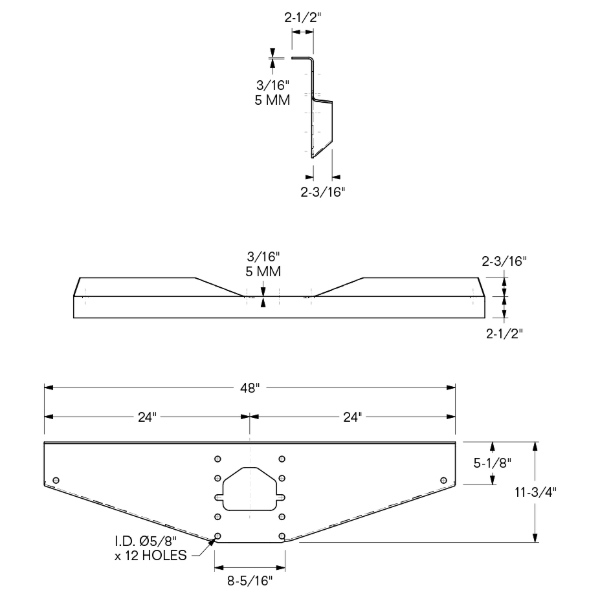
L/G, Mounting Bracket, Landing

200230.jpg

Information

Sku:
200230

Specifications

Compatable Part Number
1007-1606
Loading